DIRECTLOT.RU   Вход   Регистрация
Товары Услуги Сообщество Возможности chipmaker.ru  
Все сообщения "нужна услуга"Металлообработка

Нужна услуга: фрезерные ЧПУ работы из листового материала

Лот 1694511, размещён в доступ:
Желают получить услугу в:   Москва
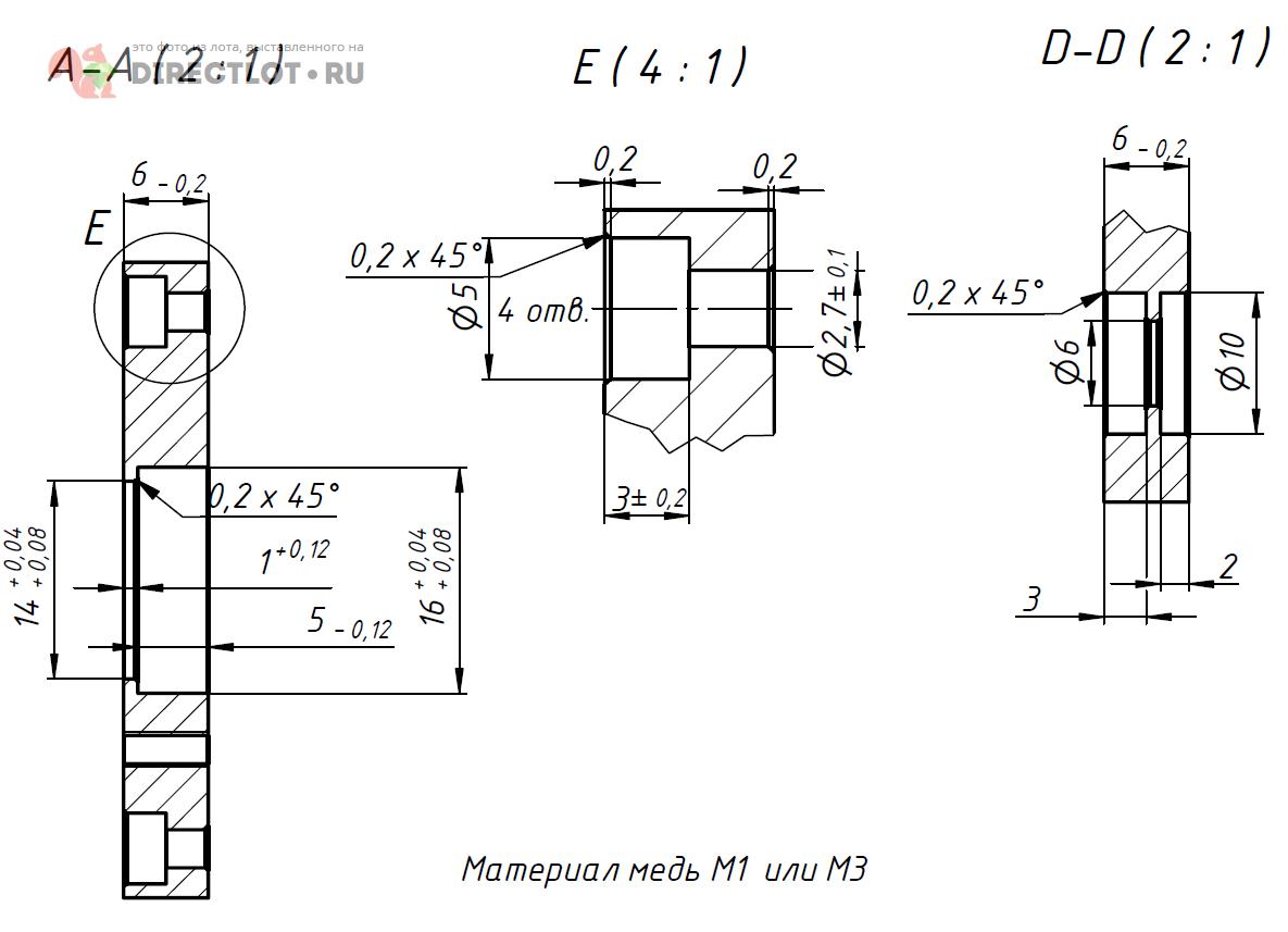
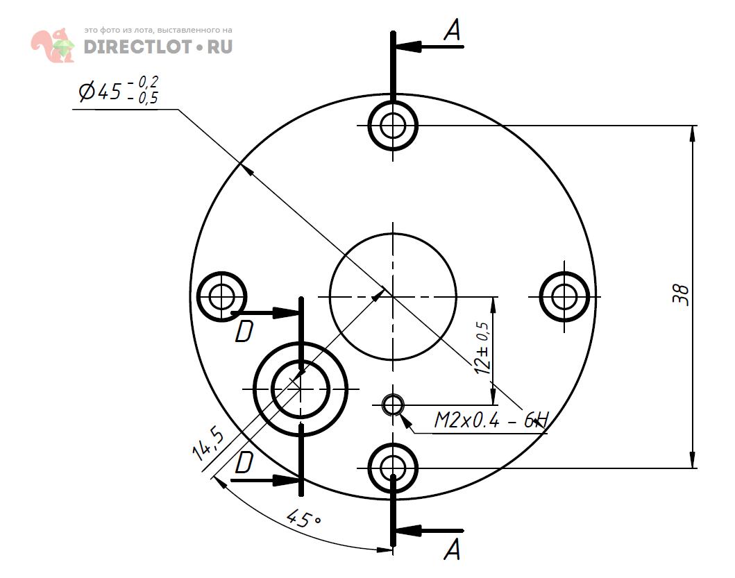
Есть потребность в деталях 32 шт.
Важно наличие фасок.
Материал медь М1 или М3.
В случает вашей заинтересованности прошу указать стоимость и сроки.
Доставка сдек за мой счет.
 
messenger
Оффлайн
Из:   Москва
В системе:  
Телефон персоны
не подтверждён
12   2009
У этой страницы есть короткий адрес: https://dirlot.ru/lot/1694511
Код для вставки ссылки на эту страницу для форумов: [url=https://directlot.ru/lot.php?id=1694511]Нужна услуга: фрезерные ЧПУ работы из листового материала[/url]

Помощь по системе     Условия использования     Контакт с администрацией